PRODUCTS

乐竞

砂水分离器

功能描述 来自沉砂池的砂、水混合液,通过进水管道和涡流室,进入“喇叭口”进行砂水分离,对于≥0.2mm的砂粒,其分离效率高达98%。“喇叭口”的使用,使此区域得到充分的利用。在分砂过程中,大量有机物质随排出液流出箱体,而砂粒则沉入箱底,由排砂螺杆缓慢提升,排入贮砂箱。砂···

免费获取报价

24小时咨询热线
0510-87831705

产品展示
产品描述

功能描述
       来自沉砂池的砂、水混合液,通过进水管道和涡流室,进入“喇叭口”进行砂水分离,对于≥0.2mm的砂粒,其分离效率高达98%。“喇叭口”的使用,使此区域得到充分的利用。在分砂过程中,大量有机物质随排出液流出箱体,而砂粒则沉入箱底,由排砂螺杆缓慢提升,排入贮砂箱。


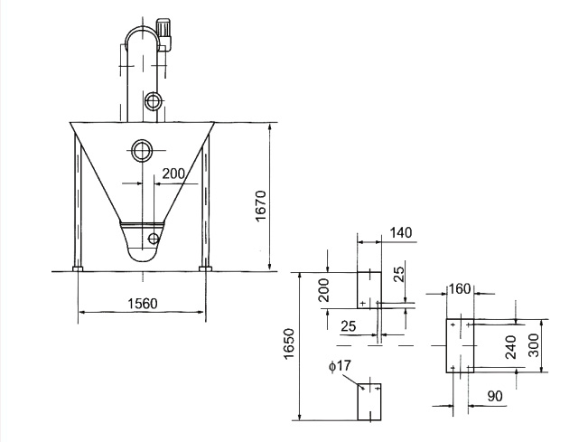
砂水分离器外形尺寸图




技术参数

砂水分离器外形尺寸